Elektroschweiß-T-Stück reduziert PE100
Für Wasser- und Gasleitungen - PE 100 - SDR11 - S5 Gas - PN16 20°C
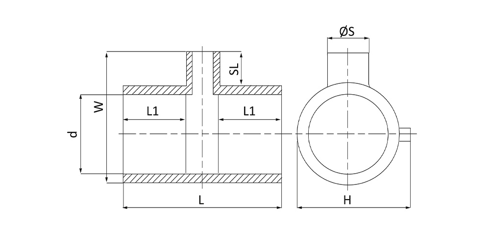
Die Elektroschweiß-T-Stücke von Unidelta eignen sich zur Verschweißung von Rohren und Formteilen aus PE80 und PE100. Elektrische Verbindungen über Klemmen ∅ 4,0 mm mit Schweißspannung 40,0 V. Jeder Artikel ist mit folgenden Angaben versehen: Barcode zum Lesen mit elektronischem Stift, Nominaldurchmesser, Schmelzzeit und Abkühlzeit.


| Artikel-Nr. | DIM dxdxd | H | W | L | L₁ | SL | W-SDR | PN | VPE | |
|---|---|---|---|---|---|---|---|---|---|---|
| 251-9340090063 | 90x63x90 | 126 | 196 | 201 | 62 | 84 | ≤ 17 | 16 | 12 | Produkt merkenProdukt gemerkt |
| 251-9340090075 | 90x75x90 | 126 | 203 | 201 | 62 | 91 | ≤ 17 | 16 | 12 | Produkt merkenProdukt gemerkt |
| 251-9340110063 | 110x63x110 | 148 | 223 | 237 | 72 | 87 | ≤ 17 | 16 | 8 | Produkt merkenProdukt gemerkt |
| 251-9340110090 | 110x90x100 | 148 | 239 | 237 | 72 | 103 | ≤ 17 | 16 | 6 | Produkt merkenProdukt gemerkt |
| 251-9340160090 | 160x90x160 | 217 | 318 | 340 | 100 | 121 | ≤ 17 | 16 | 1 | Produkt merkenProdukt gemerkt |
| 251-9340180090 | 180x90x180 | 241 | 340 | 360 | 105 | 119 | ≤ 17 | 16 | 1 | Produkt merkenProdukt gemerkt |
Das Unidelta Produktsortiment
Geprüft und sicher

Wirtschaftlich und unkompliziert
Die Unidelta Fittings für PE-Rohre sind überaus vorteilhaft, da sie einfach vor Ort, ohne Spezialwerkstoffe und unter nahezu allen äußeren Bedingungen montiert werden können. PP-Klemmfittings sind jederzeit wieder lösbar und somit wiederverwendbar. Die Schweißfittings sind für dauerhafte Verbindungen das zuverlässige Mittel der Wahl.
Zum Hersteller