RIV Kolbenschieber Typ 60
Innengewinde x Innengewinde, Derla-Serie
RIV bietet ein komplettes Sortiment an Ventilen und Zubehör aus Messing für die Sektoren: Wasser- und Heizungstechnik, Industrie, Gas, Wasserversorgung, Bewässerung, Viehzucht und Tierhaltung, Tankwagen und Biogas


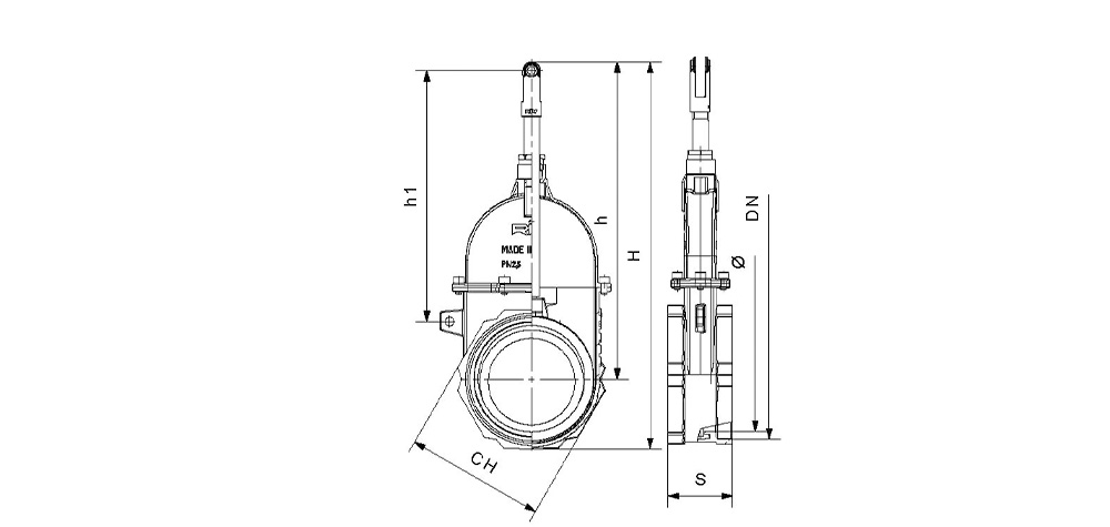
| Artikel-Nr. | D | Ø | H | h | S | h1 | PN | KG | VPE | |
|---|---|---|---|---|---|---|---|---|---|---|
| 311-0060328 | 4" | 91 | 360 | 287 | 68 | 235 | 3bar - 45psi | 3,736 | 1 | Produkt merkenProdukt gemerkt |
| 311-0060480 | 6" | 144 | 492 | 390 | 82 | 320 | 2,5bar - 37psi | 7,299 | 1 | Produkt merkenProdukt gemerkt |
Merkliste
Das Produkt wurde erfolgreich zur Ihrer Merkliste hinzugefügt.
Merkliste
Das Produkt wurde erfolgreich von Ihrer Merkliste entfernt.
Das RIV Produktsortiment
Geprüft und sicher

Wirtschaftlich und unkompliziert
RIV bietet ein komplettes Sortiment an Ventilen und Zubehör aus Messing für die Sektoren: Wasser- und Heizungstechnik, Industrie, Gas, Wasserversorgung, Bewässerung, Viehzucht und Tierhaltung, Tankwagen und Biogas
Zum Hersteller